新聞中心
News Center
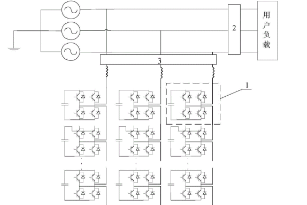
三相不平衡調節的基本原理
2021-11-11
三相負荷不平衡自動調節裝置(SPC)是一種用于處理三相電流不平衡、無功補償和諧波補償的綜合電能質量處理裝置。
GRASUN系列SPC裝置可以利用*控制算法分享不平衡電正負零序和無功率,通過觸發功率器件IGBT,使逆變器發出相反的抵消電流,消除不平衡,補償無功率。
GRASUN系列SPC可以全面提高臺區的電能質量,具體如下:

■解決配電網三相電流不平衡問題,減少中性線電流,減少線路損耗;
■容感無功補償,提高配電網有效輸出容量;
■有效過濾3/6/9次諧波,降低中性線電流,提高配電安全性;
■穩定系統三相電壓,提高供電質量,改善用電環境;
■解決變壓器單相過載問題,提高變壓器帶載能力。
●三相不平衡的原因。
三相不平衡是指電力系統中三相電流(或電壓)振幅不一致,振幅差超過規定范圍的電能質量問題。
主要原因是各相負載分布不均,單相負載用電不同,單相大功率負載接入。
由于400V低壓配電系統的用戶側幾乎都是單相負載,用電時間不同,配電系統容易出現三相不平衡,嚴重超標。
400V低壓配電系統供電半徑長。

由于三相不平衡和用電時間的影響,電壓容易超過限值,導致供電終端電壓低。
分組投切電容器廣泛應用于配變,具有補償步驟,補償效果差(容易出現過補或欠補)。
●危害不平衡。
■重載一相發熱嚴重,加速老化;
■會產生零線電流,導致中線局部發熱老化,甚至有火災風險;
■會導致零地電壓過高,導致控制系統弱點設備燒毀;
■會導致局部電壓不平衡,造成設備誤報警。