新聞中心
News Center
當前位置:
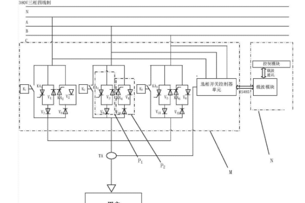
三相不平衡自動調節工作原理
2022-01-04
1.三相不平衡自動調整裝置的基本原理。 當BCBPH開啟時,控制器會根據外部電壓互...
國網一二次融合充氣柜
1.大小不同。 原有的一二次融合段式充氣柜標準尺寸為325,基本上都換成了375寬,部...
發動機機油壓力故障一直報警
1.油壓總是太低。 油壓感應器一般安裝在主油道內,如果油壓力表和油壓傳感器正常,...
一二次融合環網箱二次原理圖
2021-12-31
二次融合環網箱體的二次原理圖。 當前配網智能化改造中,配網標準化物料協議存儲...
優質服務的在線監測
在線監測高質量服務。 一、測量的原則。 煙氣取樣:采用高溫伴熱冷凝法; SO2.NOX...
居民計量箱改造
居民計量箱改造,國家電網沂源縣供電公司組織員工集中整改運營22年的南麻鎮西北麻...
杭州宇諾電子科技有限公司
400-7112271
xzsw@yunuotech.com
浙江省杭州市余杭區余杭街道義橋工業園(緯一路與經二路交叉口)
Copyright © 2024 杭州宇諾電子科技有限公司 All Rights Reserved. 技術支持: 鼎易科技